Profil System WAPS® Serie I kompatibel zu Item
Profil System WAPS Serie I
PRFLSYS-SI-ALU-ELO-N6-L-60X60X6060
Art.-Nr. 4952110009
EAN 4056807132983
Preis pro ausgewählter Verpackungseinheit | Individuelle Preisanzeige nach Anmeldung
Jetzt registrieren und auf mehr als 125.000 Produkte zugreifen
- Kompatibel zu Item (SI) mit den Nuten 5, 6 und 8
- Über 150 Profil-Varianten
- Vielfältige Rastermaße von 20 bis 60 mm
- Verfügbare Längen (je nach Profil): 2000, 3000 oder 6000 mm
- Verbrauchsgerechte Verpackungseinheiten
- Kompatibilität mit CLIP-O-FLEX® – Das flexible Einhängesystem
Datenblätter(X)
![]() | |
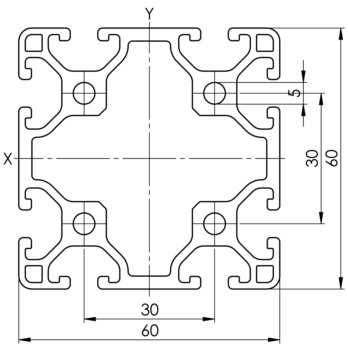
Profilbreite | 60 mm |
Profilhöhe | 60 mm |
Nutbreite | 6 mm |
Länge | 6060 mm |
Ausführung Aluprofil | Leichte Ausführung |
Werkstoff | Aluminium |
Oberfläche | Eloxiert |
Schichtdicke min. | 10 µm |
Schichtdicke max. | 15 µm |
Profilfläche | 9,71 cm² |
Kernlochdurchmesser | 5 mm |
Zugfestigkeit Rm min. | 245 N/mm² |
Dehngrenze (Rp 0,2 Wert) min. | 195 N/mm² |
Härte nach Brinell, HB | 75 HB |
Trägheitsmoment längs | 38,69 cm⁴ |
Trägheitsmoment quer | 38,69 cm⁴ |
Widerstandsmoment Y-Achse | 12,90 cm³ |
Widerstandsmoment X-Achse | 12,90 cm³ |
Bruchdehnung A5 | 10 % |
Bruchdehnung A10 | 8 % |
Elastizitätsmodul bei 100% | 70000 N/mm² |
